一款简单易制的电脑音响
电子制作
前言
随着电脑的普及,上网听音乐、看电影、玩游戏成为人们日常生活中的一部分。电脑音响自然就成为必不可少的一种产品。目前市面上有很多电脑音响,价格不一,音质也有好有坏。大多数电脑音响都需要接220V市电才能工作。这种音响的优点是功率可以做得比较大,但缺点也同样存在:一、要接市电,容易产生交流声及电源干扰;二、打开音箱电源就一直耗电,无论有没有音乐输出都一样,无形中造成了浪费。三、由于电路复杂,其耐用性较差。一般两年左右,就会有开关、旋钮接触不良,造成杂音。质量稍差的电脑音响还有可能会烧毁电源变压器。鉴于以上缺点,本文介绍一种不用插电的电脑音响的制作。虽然声音不能放得惊天动地,但日常上网足够使用。由于不使用变压器供电,不存在一般电脑音响的缺点。电路非常简单,元件较少,安装无误即成功,无需调试。适合初学者制作。音响采用集成功率放大器:TDA2822M作放大,采用电脑USB口供电。音箱采用三洋5寸双纸盘全频嗽叭制作。下面就电路原理和制作方法作说明。
TDA
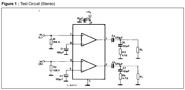
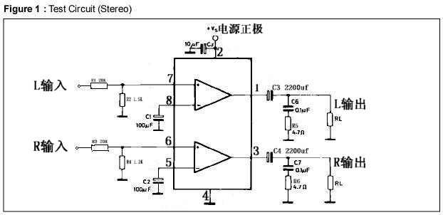
图1是立体声典型应用电路。为了减少元件的应用,我们对电路进行了相应改动,省略输入音量电位器,用电阻固定分压取代。使用时用电脑音量调节来控制音量大小;为了使低频响应更好,输出电容改为2200uf。
实际应用电路
电阻:(20K 1.5K 4.7Ω)*2
电容:(100uf 2200uf 0.1uf)*2 10uf*1
功放:TDA
线材:信号输入线*1
USB线*1
嗽叭线*2
其它:小型散热片*1
对照电路图进行焊接。为了方便省事,采用“搭棚”焊接法,直接焊上集成块,不用电路板。焊接中要特别注意烙铁的温度和焊接元件的时间,以免损坏元件。
嗽叭在整个音响系统里起着决定性作用。由于放大器功率较小,音箱采用灵敏度较高的三洋双纸盘全频嗽叭制作。这款嗽叭特点是灵敏度高,频响宽广,特别是高频比一般单纸盘嗽叭好很多,并且是防磁单元。
阻抗:8Ω
功率:30W(最大)
灵敏度:90db/w/m
推荐倒相箱容积:
箱体制作比较费时费力,本文制作的音箱是参照英国B&W805的外形制作的,容积
首先测试系统工作是否正常。将放大器输出线连接音箱(注意正负极),USB电源线接上MP4的USB充电器。接通MP4电源,用手接触放大器输入插头(分别触碰左右声道),此时音箱应该有交流声发出,说明放大器和音箱工作正常。
后记
如果你需要一套能播放出惊天动地效果的电脑音响,这款音响不适合你。但在日常生活中,这款电脑音响非常实用,已经能满足大部分人的听音要求。关键是成本低,容易制作,比市面很多有源音箱声音更清晰。利用电脑USB供电,既方便又耐用,有兴趣的话不妨动手做一个吧。





















